摘要:5KHz高重频、8ns窄脉冲、1535nm人眼安全波段。镭尔特光电重磅推出LZ1535系列,以±0.1mm极致机械精度和全自主国产化优势,赋能高端激光测距与LiDAR应用。

LZ1535-5KHz-8ns-10μJ-25mm 实物图
随着无人机避障、自动驾驶及手持测距需求的爆发,传统的905nm激光因人眼安全阈值低、雨雾天气衰减大,已逐渐难以满足高端场景需求。
1535nm 波段作为公认的“人眼安全黄金波段”,允许更高的发射功率且具备极强的大气穿透力。深圳镭尔特光电推出的LZ1535微型脉冲激光测距光源,正是为了打破成本壁垒,推动高性能测距普及而生。
产品中心波长锁定在1535±15nm。相比905nm,它处于人眼安全范围内,这意味着在满足Class 1安全标准前提下,可以使用更高功率。同时,其在雨、雾、霾等恶劣气象条件下的传输损耗极低,确保全天候作战能力。
5000Hz 重复频率:意味着每秒5000次采样。对于高速运动的无人机或车载雷达,这代表着更密集的点云数据和毫秒级响应。
8ns 超窄脉冲:脉宽越窄,测距精度越高。8ns的优异表现,是实现厘米级精度的物理基石。
虽标称10μJ,典型工况下实测单脉冲能量≥20μJ。配合≤0.3mm的微小光斑直径和10mrad低发散角,能量密度惊人,确保远距离探测“指哪打哪”。
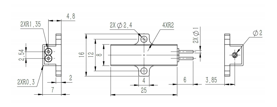
对于系统集成商而言,光路校准是最耗时的痛点。LZ1535通过高可靠散热金属封装工艺,解决了这一难题:
🎯 极致机械精度:
光束中心与机械出光口中心偏差 ±0.1mm
光束指向性偏差 ≤0.2°
优势:客户在进行整机组装时,几乎无需进行复杂的光路对准,即插即用,大幅降低生产成本。同时,工作电压仅2V,电流5A,25mm的极致长度,轻松嵌入各类手持及无人机载荷。

图:窄线宽光谱特性 (Δλ ≤15nm)

图:25mm紧凑型金属封装
镭尔特LZ1535系列通过全自主国产化,打破了国际巨头在1550nm微型光源领域的价格垄断。
狩猎、高尔夫、电力巡检。不增加体积,探测距离突破3-5km。
轻量化设计,助力无人机在地势测绘中实现更长续航。
5KHz高刷新率,敏捷识别动态障碍物。
利用1535nm不可见光特性,实现隐蔽夜视照明。
| 参数名称 | 典型数值 | 备注 |
|---|---|---|
| 中心波长 | 1535 ±15 nm | 人眼安全 |
| 单脉冲能量 | ≥ 20 μJ | 强劲输出 |
| 脉冲宽度 | 8 ns | 高精度 |
| 重复频率 | 5 KHz | 高响应 |
| 发散角 | 12 mrad | 小发散角 |
| 工作温度 | -40 ~ 70 ºC | 宽温适应 |
* 数据基于25℃环境测试,更多详情请查阅规格书
激光等级:本产品为三类激光产品(Class 1),工作时严禁直射眼睛或皮肤。
防静电(ESD):器件对静电敏感,运输、储存、使用时务必采取防静电措施。
焊接建议:温度建议控制在260ºC以内,避免高温损伤寿命。
环境要求:请避免在结露环境中使用。